Categories
Manufacturers
Corporate Site
Supply Store
Contact Us
A Malla Group company
search
clear
America's Trusted Distributor
Home
York
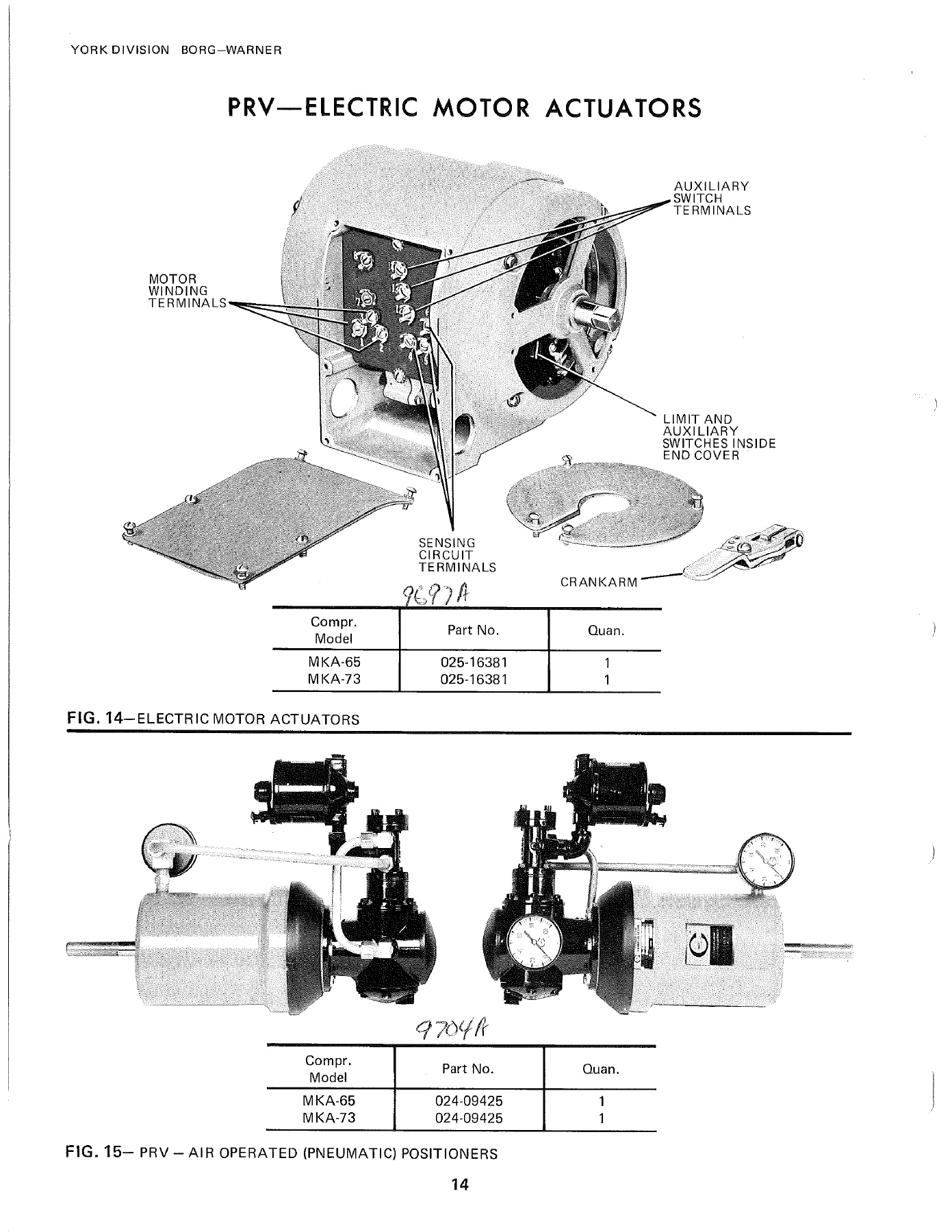
Catalog 160-53-RP1-1-SECT-2 - Page 0014
Catalog 160-53-RP1-1-SECT-2 - Page 0014
Manufacturer:
York
Catalog Name:
YORK
Document Number:
YORK-YORK-0014-2210
Download Spec Sheet
We can quote any part on this Spec Sheet. Contact Us for assistance!
Request Quote for Catalog 160-53-RP1-1-SECT-2 - Page 0014
Company:
*
Name:
*
Email:
*
Telephone:
Product:
Message:
Please provide additional information on YORK - Catalog 160-53-RP1-1-SECT-2 - Page 0014
Privacy Policy
and
Terms of Service
apply.
York Part Numbers on this Catalog Page
Line
Part Number
Manufacturer
Request Quote
1
029-13872-000
York
Add to Quote
2
025-19856-000
York
Add to Quote