Categories
Manufacturers
Corporate Site
Supply Store
Contact Us
A Malla Group company
search
clear
America's Trusted Distributor
Home
York
Catalog 160-57-RP - Page 0021
Catalog 160-57-RP - Page 0021
Manufacturer:
York
Catalog Name:
YORK
Document Number:
YORK-YORK-0021-2334
Download Spec Sheet
We can quote any part on this Spec Sheet. Contact Us for assistance!
Request Quote for Catalog 160-57-RP - Page 0021
Company:
*
Name:
*
Email:
*
Telephone:
Product:
Message:
Please provide additional information on YORK - Catalog 160-57-RP - Page 0021
Privacy Policy
and
Terms of Service
apply.
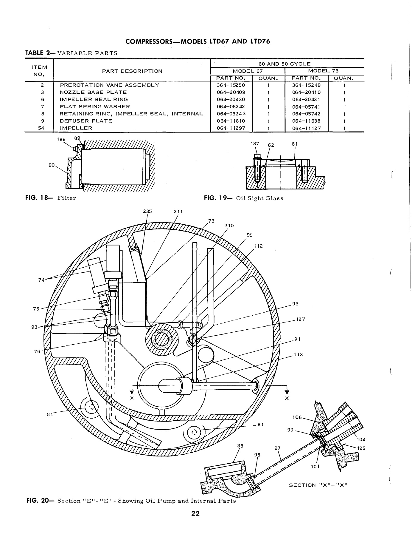
York Part Numbers on this Catalog Page
Line
Part Number
Manufacturer
Request Quote
1
064-11297-000
York
Add to Quote
2
064-20409-000
York
Add to Quote
3
064-11127-000
York
Add to Quote
4
364-15249-000
York
Add to Quote
5
064-05742-000
York
Add to Quote
6
064-11638-000
York
Add to Quote
7
064-20430-000
York
Add to Quote
8
064-20410-000
York
Add to Quote
9
064-06242-000
York
Add to Quote
10
064-20431-000
York
Add to Quote
11
364-15250-000
York
Add to Quote
12
064-05741-000
York
Add to Quote
13
064-11810-000
York
Add to Quote