Categories
Manufacturers
Corporate Site
Supply Store
Contact Us
A Malla Group company
search
clear
America's Trusted Distributor
Home
Fives Group
Catalog Combustion 2021 - Page 0834
Catalog Combustion 2021 - Page 0834
Manufacturer:
Fives Group
Catalog Name:
FIVES GROUP
Document Number:
FIVES GROUP-FIVES GROUP-0834-0838
Download Spec Sheet
We can quote any part on this Spec Sheet. Contact Us for assistance!
Request Quote for Catalog Combustion 2021 - Page 0834
Company:
*
Name:
*
Email:
*
Telephone:
Product:
Message:
Please provide additional information on FIVES GROUP - Catalog Combustion 2021 - Page 0834
Privacy Policy
and
Terms of Service
apply.
Fives Group Part Numbers on this Catalog Page
Line
Part Number
Manufacturer
Request Quote
1
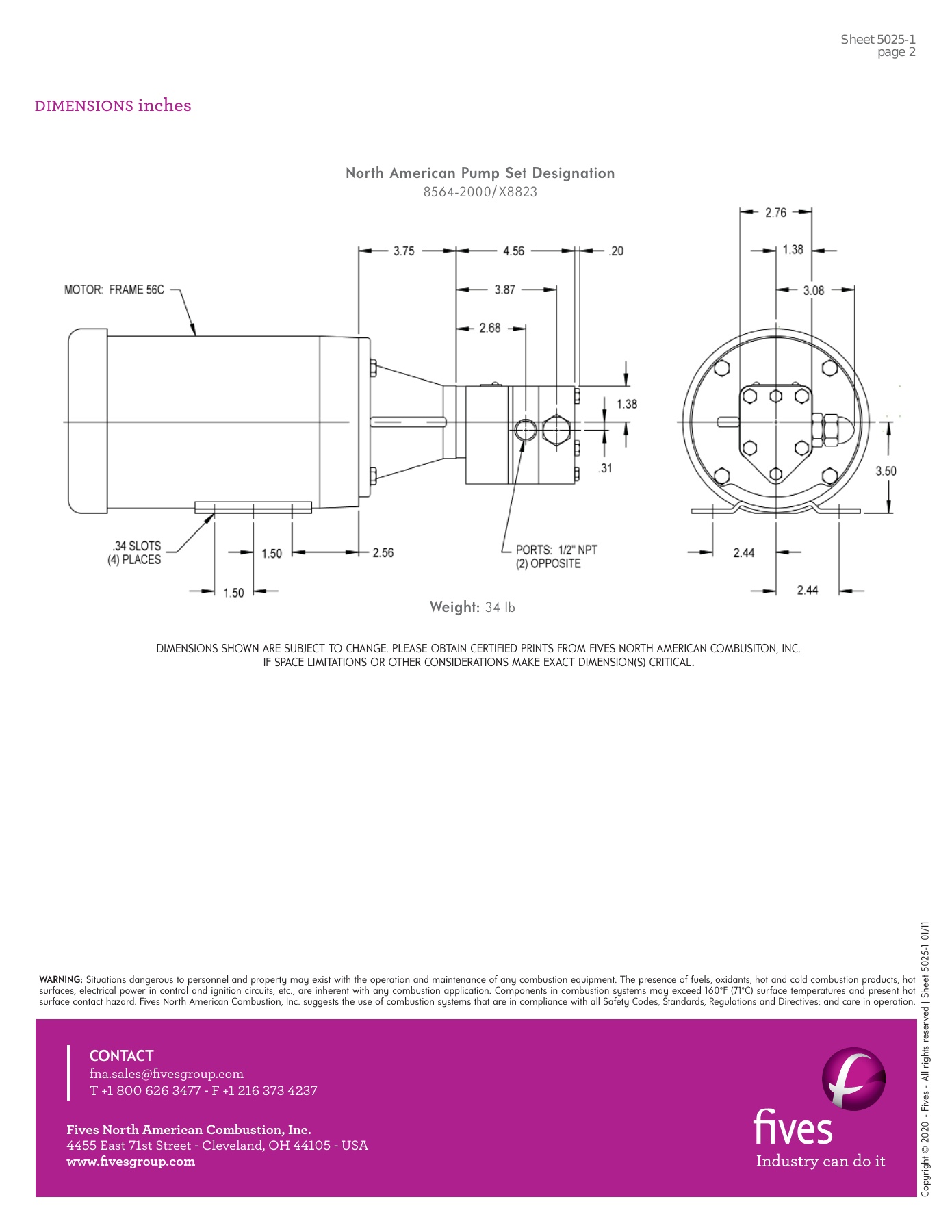
8564-2000/8823
Fives Group
Add to Quote