Categories
Manufacturers
Corporate Site
Supply Store
Contact Us
A Malla Group company
search
clear
America's Trusted Distributor
Home
Fives Group
Catalog Combustion 2021 - Page 0536
Catalog Combustion 2021 - Page 0536
Manufacturer:
Fives Group
Catalog Name:
FIVES GROUP
Document Number:
FIVES GROUP-FIVES GROUP-0536-0540
Download Spec Sheet
We can quote any part on this Spec Sheet. Contact Us for assistance!
Request Quote for Catalog Combustion 2021 - Page 0536
Company:
*
Name:
*
Email:
*
Telephone:
Product:
Message:
Please provide additional information on FIVES GROUP - Catalog Combustion 2021 - Page 0536
Privacy Policy
and
Terms of Service
apply.
Fives Group Part Numbers on this Catalog Page
Line
Part Number
Manufacturer
Request Quote
1
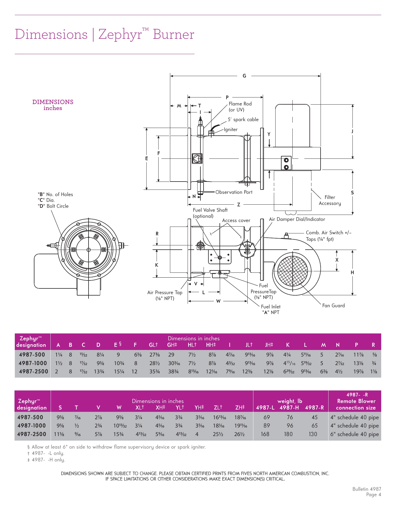
4987-500
Fives Group
Add to Quote
2
4987-2500
Fives Group
Add to Quote
3
4987-1000
Fives Group
Add to Quote